- Технические характеристики и другая информация предоставляются для справки.
- Чертежи и изображения представлены для ознакомления
Подшипник роликовый самоустанавливающийся 23960-B-K-MB + AH 3960G
Подшипник роликовый самоустанавливающийся 23960-B-K-MB + AH3960G предназначен, главным образом, для эксплуатации в условиях аксиальных воздействий. Существуют варианты в однорядном и двухрядном исполнении. В первом случае неразъемная конструкция закрепляется при помощи втулок и включает бочкообразные роликоподшипники, сепаратор, толстостенную внешнюю обойму сферической формы и внутреннее широкое кольцо с бортиками, в котором иногда располагается посадочное гнездо под цилиндрическую или коническую посадочную основу. Второй тип имеет двухрядный набор тел качения и способен к восприятию как аксиальных, так и осевых нагрузок.
Каковы отличительные черты Подшипник роликовый самоустанавливающийся 23960-B-K-MB + AH3960G?
-
Деталь является самоцентрирующейся, то есть позволяет выравнивать перекосы, возникающие в процессе ее установки, компенсирует прогиб валов, несоосность.
-
Применяется в барабанных лебедках, врубовых агрегатах, угольных комбайнах, мощных редукторах, шнеках, крановых скатах и так далее.
-
Обладает высокой грузоподъемностью и износостойкостью даже при ударных темпах работы.
В каталоге магазина для заказа онлайн доступен Подшипник роликовый самоустанавливающийся 23960-B-K-MB + AH3960G ГОСТ или его (аналоги ISO) и прочие высококачественные модели от компаний FAG, KOYO, NSK, SKF, SNR по доступной стоимости!
Технические характеристики
Обозначение : 23960-B-K-MB + AH3960G
Размеры, мм : 280x420x90
Производитель : FAG
Диаметр внутренний, мм : 280
Диаметр наружный, мм : 420
Высота, мм : 90
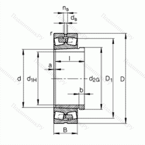
Технические данные из каталога производителя :
d1H - 280 mm
D - 420 mm
B - 90 mm
a - 7 mm
b - 21 mm
D1 - 384,6 mm
Da max - 407,6 mm
d - 300 mm
d2G - Tr320X5
da min - 312,4 mm
ds - 9,5 mm
l - 112 mm
ns - 17,7 mm
ra max - 2,5 mm
rmin - 3 mm
- AH3960G / Условное обозначение, стяжная втулка
m - 39,1 kg / Вес
m1 - 10,8 kg / Вес, стяжная втулка
Cr - 1270000 N / динамическая грузоподъемность, радиальная
e - 0,2
Y1 - 3,42
Y2 - 5,09
C0r - 2650000 N / статическая грузоподъемность, радиальная
Y0 - 3,34
nG - 1780 1/min / Предельная частота вращения
nB - 1010 1/min / Базовая тепловая частота вращения
Cur - 165000 N / Нагрузка предела усталости, радиальная
Основные размеры по DIN 635-2, с коническим отверстием и стяжной втулкой
|
Производитель
|
FAG |
|
Ширина B
|
90 |
|
Внешний диаметр D
|
420 |
|
Внутренний диаметр d
|
280 |
|
Размер
|
280x420x90 |
|
Вес, кг
|
39.1 |
|
Модель
|
23960-B-K-MB---AH3960G-FAG |
|
SKU
|
23960-B-K-MB---AH3960G-FAG |
Похожие по размеру
Оформить заказ на нашем сайте легко. Просто добавьте выбранные товары в корзину, а затем перейдите на страницу Корзина, проверьте правильность заказанных позиций и нажмите кнопку «Оформить заказ» или «Быстрый заказ».
Функция «Быстрый заказ» позволяет покупателю не проходить всю процедуру оформления заказа самостоятельно. Вы заполняете форму, и через короткое время вам перезвонит менеджер магазина. Он уточнит все условия заказа, ответит на вопросы, касающиеся качества товара, его особенностей. А также подскажет о вариантах оплаты и доставки.
По результатам звонка, пользователь либо, получив уточнения, самостоятельно оформляет заказ, укомплектовав его необходимыми позициями, либо соглашается на оформление в том виде, в котором есть сейчас. Получает подтверждение на почту или на мобильный телефон и ждёт доставки.
Если вы уверены в выборе, то можете самостоятельно оформить заказ, заполнив по этапам всю форму.
Выберите из списка название вашего региона и населённого пункта. Если вы не нашли свой населённый пункт в списке, выберите значение «Другое местоположение» и впишите название своего населённого пункта в графу «Город». Введите правильный индекс.
В зависимости от места жительства вам предложат варианты доставки. Выберите любой удобный способ.
Оплата
Выберите оптимальный способ оплаты.
Введите данные о себе: ФИО, адрес доставки, номер телефона. В поле «Комментарии к заказу» введите сведения, которые могут пригодиться курьеру, например: подъезды в доме считаются справа налево.
Проверьте правильность ввода информации: позиции заказа, выбор местоположения, данные о покупателе. Нажмите кнопку «Оформить заказ».
Наш сервис запоминает данные о пользователе, информацию о заказе и в следующий раз предложит вам повторить к вводу данные предыдущего заказа. Если условия вам не подходят, выбирайте другие варианты.

